纳芯微全新推出的NSI1312x系列隔离电压采样芯片支持正负电压输入和高阻抗输入,支持差分或单端模拟输出,可广泛应用于汽车、工业、大功率电源中的交流和直流电压检测。
该系列基于纳芯微突破性的创新隔离技术及信号调理设计,能在严苛要求的汽车和工业等领域提供高达 5000 Vrms 的电隔离能力, CMTI高达150KV/us使其拥有高精度低温漂等优质性能。
非隔离运放VS隔离运放
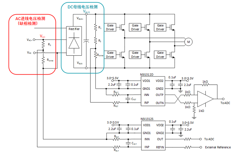
如上图所示,该系统是比较典型的三相输入整流框图,很多客户采用上图的采样方式采集高压母线电压--高阻方式分压+非隔离运放+MCU集成的ADC来实现成本优化的目的。
如使用非隔离运放,在处理不当或意外发生时,可能导致系统高压和低压串扰,影响整个系统可靠性。
优势:设计简单,成本低
劣势:
►母线上的功率电路噪声耦合到控制地,影响MCU工作甚至损坏
►当DC+与DC-间电容不匹配后,DC+与DC-对N电压不平衡,运放共模输入可能为负压,运放需要负压供电,供电设计复杂
►当系统出现过压击穿时,如运放短路,控制侧电路全部损坏
►多通道分压采样时,相当于多路绝缘电阻并联,此时等效绝缘电阻变小,系统漏电流增大,系统过安规有风险
目前行业内常见的隔离运放能解决以上关键问题,但由于成本较高,成为绝大多数客户难以接受的痛点,而且目前行业常见的隔离电压采样不支持负压输入,限制其用于交流电采样。
更低成本 更高标准
纳芯微全新推出的低成本隔离运放NSI1312x系列, 通过技术的演进,可以大幅优化成本。同时支持±1.2V 双向线性输入电压的同时支持采集交流和直流的电压,采集交流输入可以实现缺相检测功能。而且NSI1312S 支持单端输出电压,可以直接接到MCU的ADC I/O口,不需要额外的运放作为差分转单端,为客户解决了成本与性能兼备的双向需求,也为市场竞争提供了新标准。
经典使用案例
总结上述方案优点
►高低压间隔离,提高系统可靠性
►高共模抑制,耐受高噪声环境
►高压隔离,输入端漏电流小,满足安规要求
►采样电压更精确,通过选择合适的采样的电阻,NSi1312D在满幅输入下可满足 ±0.5% @25度,±1.5% @-40~125度的精度要求
►支持正负电压采样,兼顾进线缺相检测功能
► 提供窄体小封装和单端输出版本,设计简单
优越EMI性能
纳芯微凭借多年在容隔技术领域的积累,以及自有的专利优势,使得NSI1312x系列产品具备优越的EMI 性能。下图是在完全相同的条件下测试国际大牌友商的产品和纳芯微产品的EMI实验对比:
如图所见:NSI1312x EMI 的性能无论在垂直传导还是水平传导都显著呈现其核心优势。
NSI1312D功能框图
NSI1312S功能框图
NSI1312x系列产品可提供样品,如需申请样片或订购可邮件至sales@novosns.com或拨打0512-62601802,更多信息敬请访问www.novosns.com
