同步Silent Switcher®转换器已经为功能强大、结构紧凑且安静的 DC-DC转换设定了黄金标准。在过去5年多的时间里,我们了解到了大量这些低EMI同步降压和升压转换器。这些DC-DC转换器简化了在高功率、噪声敏感环境中的系统级EMC设计,例如冷启动预升压、驱动大电流LED串和高压功率放大器声音系统。与基于控制器的设计相比,单芯片(集成电源开关)升压稳压器提供了一种更紧凑的高效解决方案,通常用于5 V、12 V和24 V源电压。
集成式同步开关及其在硅芯片中的独特布局是Silent Switcher转换器“秘诀”的一部分。板载(集成式)开关可以形成非常微小的热回路,帮助尽可能降低辐射。但是,这可能导致成本增加,而且并非所有应用都需要同步开关。如果只是将单个电源开关集成到硅芯片中,并且可以依赖外部低成本分立式续流二极管来作为第二开关,那么开关转换器的成本会降低。这种做法在较低成本转换器中很常见,但是,如果低辐射非常重要,是否仍然可以如此?
带分立式续流二极管的异步转换器仍然可以实现低辐射。如果在设计时特别注意热回路布局和dV/dt开关边缘速率,那么有可能使用异步转换器实现低EMI开关应用。在展频(SSFM)中集成降低辐射的额外措施是必要的。单芯片开关稳压器,例如 LT3950 60 V、1.5 A异步LED驱动器和 LT8334 40 V、5 A异步升压转换器,每个都在器件中集成了单个低端电源开关,但它们依赖外部续流二极管,同时仍然可以实现低辐射!它的工作原理是什么呢?

图1. (A) 异步单芯片升压转换器具有单个热回路,其中包含一个外部续流二极管。(b) Silent Switcher转换器具有两个(相反)热回路和全集成开关。
续流二极管与死区时间的关系
在单芯片转换器中集成一个而不是两个电源开关,可以使芯片尺寸减小30%到40%。芯片尺寸减小可以直接节省硅芯片成本,当硅芯片能够集成到更小封装中时,可以进一步实现二次成本降低。虽然有些PCB空间仍然需要专用于外部分立式续流二极管,但这些二极管数量多、可靠且价格便宜。在升压转换器中,具有低VF的肖特基二极管在高输出电压和低占空比下具有高效率,可以说性能优于价格昂贵的高压功率FET。
原因之一可能是因为死区时间。在典型的同步转换器中,在预设的死区时间内会发生电源开关体二极管导通,以防止潜在的击穿问题。如果同步开关在主开关能够完全关闭之前打开,则会发生击穿,导致输入或输出(降压或升压)直接对地短路。在高开关频率及最小和最大占空比限值下,死区时间控制会成为开关设计中的一个限制因素。使用具有低正向电压的低成本续流二极管之后,无需再在开关中提供死区时间逻辑——非常简单。在大多数情况下,它们也优于功率开关(在死区时间期间导电)内部固有的体二极管的正电压压降。
简单布局和封装
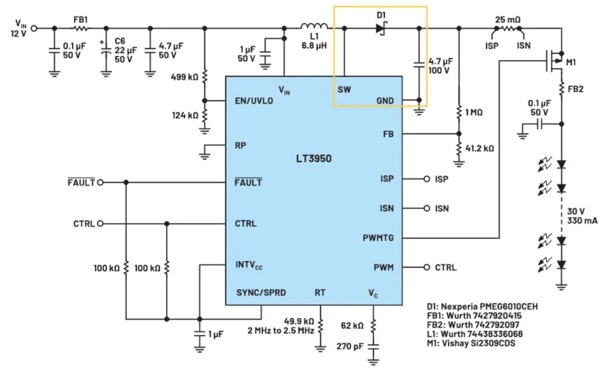
首先,我们可以从简单的单芯片升压转换器着手来展示基本的布局。图2中的LT3950 60 V、1.5 A LED驱动器具有简单的PCB热回路。这个热回路(在图3中突出显示)只包含小型陶瓷输出电容和尺寸相似的分立式续流二极管PMEG6010CEH。这些组件与LT3950 16引脚MSE封装,以及散热盘的开关引脚和GND面紧密贴合。如此足以实现低辐射吗?这当然只是公式的一部分。线焊16引脚MSE封装和紧密的热回路结合SSFM和受控良好的开关行为(开关电源过渡不会因为非常高的速度和寄生走线电感而振铃),可以实现低辐射。

图2. LT3950 (DC2788A)异步热回路包括D1续流二极管。尽管如此,续流二极 管和输出电容仍与LT3950 16引脚MSE封装紧密贴合。突出显示的异步开关 节点小且紧凑,但并非不可能。开关节点的布局可能是实现低辐射结果的关键。

图3. LT3950 LED驱动器是一个异步单芯片1.5 A、60 V升压转换器。升压转换器热回路(黄色突出显示)包含一个分立式续流二极管,不会减弱高频率辐射。
接下来,可以使用异步转换器的单个开关来形成SEPIC拓扑(升压和降压),以扩展其实用性,不止局限于预期的升压用途。因为是单开关,所以很容易断开升压转换器的热回路,并在其中增加SEPIC耦合电容,如图4和图5所示。大多数同步升压转换器的顶部和底部开关都永久连接至单个开关节点,所以无法转换成SEPIC。如果能多加关注由耦合电容、续流二极管和输出电容形成的回路,那么SEPIC热回路可以保持较小。

图4. LT8334 40 V、5 A异步单片式升压IC被用于SEPIC应用中。SEPIC转化器热回路(黄色突出显示)包含一个分立式续流二极管和一个耦合电容,不会减弱辐射。

图5. LT8334单芯片40 V、5 A异步开关,集成到微型4 mm × 3 mm 12引脚散热增强型DFN封装中。LT8334 SEPIC (EVAL-LT8334-AZ)的热回路布局中包含这个微型DFN、一个陶瓷耦合电容、一个陶瓷输出电容和一个小型续流二极管。
LT8334异步升压转换器中包含一个集成式5 A、40 V开关。这个单芯片升压转换器IC适合用于构建12 V输出SEPIC转换器。图4显示标准型12 V、2 A+ SEPIC转换器,其中包含耦合电容C1和耦合电感的两个电感线圈。由于微型PMEG4030ER续流二极管D1不是直接附加在开关节点上,所以可以轻松将4.7 μF 0805陶瓷型隔直耦合电容置于二极管和开关节点之间。在EVAL-LT8334-AZ SEPIC评估板上,热回路布局保持较小。开关节点的铜面积尽可能保持较小,并且尽可能接近开关引脚,有助于尽可能降低电磁辐射骚扰。请注意,整个热回路都布局在1层,且开关节点,或者耦合电容另一侧的耦合开关节点上都没有通孔。这些开关节点应尽量保持较小,且尽量接近,以实现出色结果。LT8334的12引脚DFN封装有助于热回路和辐射尽可能保持较小。
受控开关非常有效
单芯片(包括开关)开关转换器在与SSFM、2 MHz基波开关频率、出色的PCB布局和受控良好的开关组合使用时,可以有效帮助降低辐射。如果它们足够有效,那么可能无需利用Silent Switcher架构在低辐射方面的巨大优势(Silent Switcher架构是超低辐射黄金标准,但如果只是为了通过辐射标准,并非在所有情况下都需要用到)。在LT3950和LT8334中,SSFM在基波频率的基础上向上扩展约20%,然后以三角形的模式返回。SSFM是低EMI开关稳压器共有的一个特征。SSFM有多种类型,但是每种类型的总体目标是分散辐射能量,并将峰值辐射和平均辐射降低到要求的限值以下。2 MHz开关频率的一个目标是将基波开关频率设置为高于AM射频频段(530 kHz至1.8 MHz)限制,使基波本身及其所有谐波产生的辐射不会干扰射频。当不需要考虑AM频段时,可以放心使用更低的开关频率。
内部开关和驱动器不受开关频率影响,在设计时应谨慎小心,以避免某些不必要的行为,否则可能会降低开关转换器的EMI性能。超快的振铃开关波形可能会在100 MHz至400 MHz范围内产生多余的辐射,在电磁辐射骚扰测量中会非常明显。IC中受控良好的开关不应表现得像一个辐射锤,而应像是一个开关边缘被抑制的有效橡皮锤。受控的电源开关能以稍低于可能值的速度让电压和电流升高和降低。关于单芯片转换器中的这种受控开关,图6b中的2 V/ns开关速率和缺少振铃就是一个不错的示例。您可以看到,这个内部开关非常柔和地开启,并达到0 V,后续也不会出现刺耳的振铃。这对LT3950的辐射结果做出了很大的贡献(参考下方的图9至图11)。通常,在单芯片开关稳压器中,开关速度导致最大功率上升,散热性能下降。但是,如果能精心设计,可以事半功倍。

图6. LT3950受控开关的上升摆率为2 V/ns,下降摆率为2 V/ns,有助于在LED驱动器应用中保持高效率和低EMI,且几乎不会产生开关节点振铃。
带栅极速率控制的异步升压控制器
在有些情况下,要进行大功率DC-DC转换,需要在IC外部使用控制器和高压、高电流开关。在这种情况下,外部开关的栅极驱动器仍位于IC内部,但整个开关热回路会移动到IC外部。有些创意性的热回路和布局是有可能实现的,但因为分立式MOSFET本身的尺寸,热回路本身一般会变大。
LT8357 大功率(异步)升压控制器提供24 V、2 A (48 W),且辐射非 常低。它以低开关频率为3.5 mm × 3.5 mm MOSFET供电,以实现高效转换。除了紧密的热回路(图7)之外,它还通过上升和下降栅极控制引脚来实现边缘速率控制和减少辐射。使用一个简单的5.1 Ω电阻RP(在GATEP上)就足以降低M1功率MOSFET的开启边缘速率,并将电磁辐射骚扰保持在尽可能低的水平。当然,一些辐射滤波器和SSFM也有助于减少辐射。EVAL-LT8357-AZ评估板还额外留出了辐射屏蔽位置,但对于大部分应用,可能没有必要。这个异步升压控制器与它的单片式版本非常相似,具有高功率、低EMI升压和SEPIC应用所需的所有功能。

图7. LT8357高压升压控制器具有分立式门引脚,用于单独控制高功率分立式MOSFET开关边缘的上升沿和下降沿。黄色方框圈出了分立式栅极引脚。

图8. 图7中的LT8357升压控制器具有出色的辐射和效率性能,RP = 5.1 Ω,RN = 0 Ω。单独的门驱动引脚允许受控开关开启,同时提供快速关断。在示意图中,颜色分别表示:红色RP = 0,RN = 5.1;黄色RP = 0,RN = 0;绿色RP = 5.1,RN = 0;蓝色RP = 5.1,RN = 5.1。
通过CISPR 25 5类辐射标准
对低EMI评估电路(例如LT3950 DC2788A)进行了大量测试,以评估其电磁辐射和传导辐射。图9至图11显示成功的辐射测试结果,在测试时,SSFM开启,采用12 V输入,330 mA电流流经25 V LED串。电流探针和电压方法CE的结果都通过了非常严格的限值标准。在开关中,很容易出现FM频段CE挑战,但LT3950不受FM频段影响。

图9. DC2788A LT3950通过了(a)平均和(b)峰值CISPR 25 5类传导辐射测试(电流探针方法)。

图10. DC2788A LT3950通过了(a)平均和(b)峰值CISPR 25 5类传导辐射测试(电压方法)。

图11. DC2788A LT3950通过了(a)平均和(b)峰值CISPR 25 5类电磁辐射测试。
将开关频率设置为2 MHz(300 kHz至2 MHz可调范围),这样,基波开关辐射可以保持高于AM射频频段(530 kHz至1.8 MHz),不会导致问题,且无需在前端上加装笨重的LC AM频段滤波器。取而代之,LT3950使用的EMI滤波器可以是小巧的高频率铁氧体磁珠。
虽然热回路中有额外的耦合电容,耦合电感中有额外的端口(使开关节点的数量翻倍),LT8334 SEPIC还是能保持低辐射。EVAL-LT8334-AZ SEPIC 12 VOUT 评估套件也使用2 MHz和SSFM,能提供低辐射。EVAL-LT8357-AZ升压控制器可以实现相似的性能。有关这些器件的完整辐射结果、原理图和测试选项,可以访问analog.com,查看对应的产品登录页面。表1列出了一个新的低EMI异步升压和SEPIC转换器系列。单芯片IC和控制器IC结构简单、成本低,采用多种拓扑,具有大功率功能和低辐射,因此非常实用。当超低辐射成为首要的要求时,也可以使用高电流Silent Switcher升压转换器。


表1. 新型低EMI单芯片升压转换器,带开关边缘速率控制
结论
同步Silent Switcher和异步单芯片开关稳压器都可以用于低辐射应用。与超高性能的Silent Switcher转换器相比,异步升压转换器的成本更低。第二个开关被低成本续流二极管替代,后者在高压下具有一定优势,能够灵活地重新配置为SEPIC。当功率开关边缘速率受到良好控制,且提供有限的振铃时,小型塑料封装和PCB中经过精心设计的小型热开关回路区域都提供低辐射。这些特性应与其他低EMI特性(例如SSFM和EMI滤波器)结合。即使在高功率升压控制器中,栅极驱动控制也有助于降低和平缓开关边缘,以实现低辐射。请特别注意热回路的最佳顶层布局,并明智地选择您的DC-DC转换器,以实现低辐射设计。ADI公司推出的低EMI升压转换器系列可能刚好能够满足您的需求。
文章来源:亚德诺半导体
