在很多系统中(包括汽车动力输出系统中部署的众多调节器),功率转换控制器的设计都是一项困难而复杂的工作。本文说明了LED驱动器使用的不同开关拓扑的优势、权衡取舍和应用,旨在简化选择过程。
LED不同于传统的带有灯丝或气体成分的电灯。利用特定的半导体结,LED制造商可以生成整个可见光范围的特定颜色的光,以及红外线和紫外线。在汽车应用中,LED可以提高白天和夜间驾驶的安全性。效率的提高可以延长电动汽车的电池寿命,而在单个系统中使用多个LED可以避免单一部件的故障问题。
由于其多功能性,LED能够以多种不同的方式驱动。由于LED的输出有良好的照明控制,因此LED负载与电力系统的传统负载不同。LED只靠通过半导体结的精确控制电流来发光,而端口到系统接地(或汽车系统中的底盘)的相对电压则与此无关。因此,LED系统可以利用开关技术提供的不同拓扑。
如何为汽车LED系统选择正确的开关拓扑
汽车系统中特定开关拓扑的选择关系到整个系统设计;应考虑最小输入电压、最大串电压、底盘回路能力、短路输出能力、最大输入电流、输出/LED电流和PWM调光。
降压(Buck)转换器
降压LED驱动器通过高于LED串总电压的电压调节LED串中的电流。降压LED驱动器可以安全地短接到系统地,确保其本质安全。它们具有底盘回流的能力(一条线用于供电),并且可以轻松适应矩阵或动画应用。图1和图2中的示例原理图显示了控制器调节高压侧开关进行电流控制的基本系统图。

图1.降压转换器
降压LED驱动器需要具备几个关键特性:固定频率操作、通过出色的开关控制和低电阻开关实现高效率、在整个模拟调光范围内提供高精度,以及为获得出色的EMI,适当设计扩频调频。
升压(BOOST)转换器
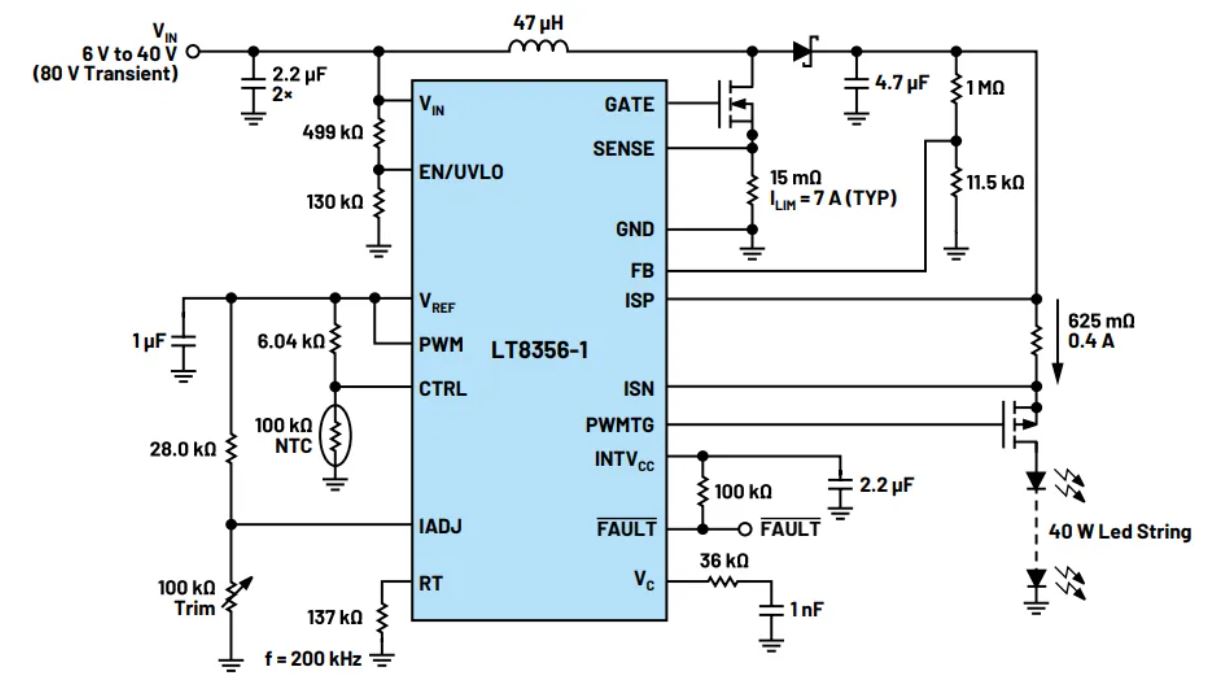
升压LED驱动器通过低于LED串总电压的电压调节LED串中的电流。这在很多汽车系统中很有用,其中很多LED都需要在单个串中导通。典型的12 V汽车系统的工作电压范围为6 V至18 V,这需要将LED驱动器的电压降到6 V,从而为LED提供较大的升压比,以保持点亮。图3和图4中的示例原理图显示了控制器调节低压侧开关进行电流控制的基本系统图。

图2.降压转换器示例: LT3932

表1使用降压转换器作为LED驱动器的优势和权衡取舍

图3.升压转换器

图4.升压转换器示例:LT8356-1

表2使用升压转换器作为LED驱动器的优势和权衡取舍
使用升压转换器进行升压-降压
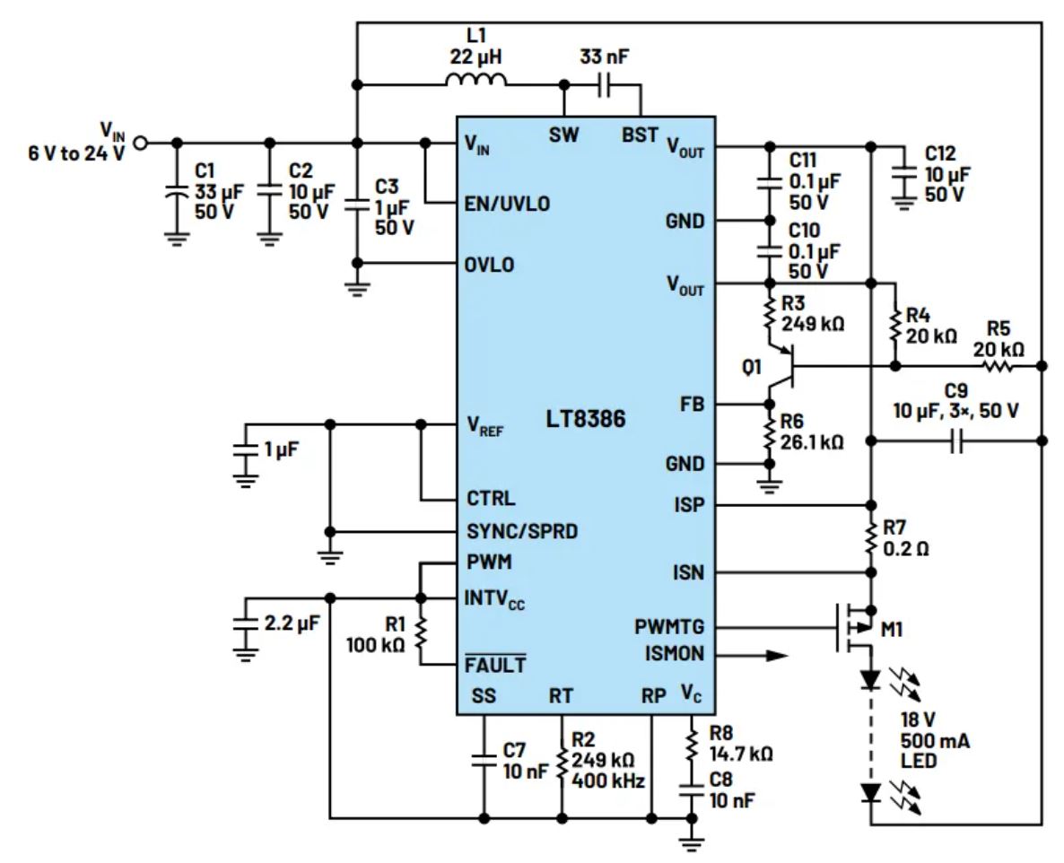
一些升压LED驱动器可配置为将LED阴极返回电源。这种配置称为降压-升压。总输出电压为VIN (VBATTERY),该电压加到LED串总电压中。这种拓扑结构的优点是能够驱动一个高于、低于或等于电源电压的LED串。这种拓扑结构的局限性是只受转换器的限制--低端受控制器IC的最小电源电压限制,高端受控制器IC的最大输出电压限制。

图5.升压-降压转换器

图6.升压-降压转换器 LT8386

表3使用升压-降压转换器作为LED驱动器的优势和权衡取舍
使用升压转换器的降压模式
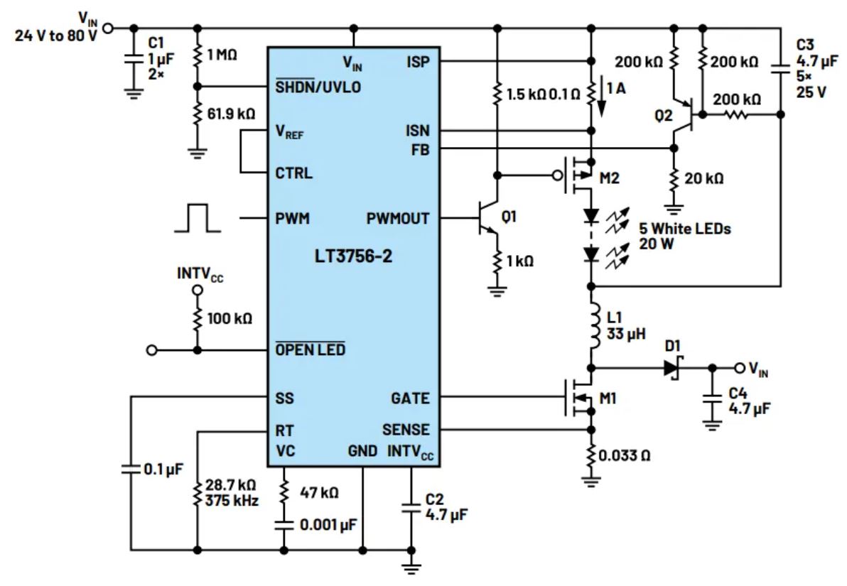
一些升压LED驱动器可配置为从电源降压(而不是在标准降压模式下以地为参考),从而构成降压模式配置。这种配置与降压模式具有同样的局限性,即LED串的总电压必须低于输入电源电压。

图7.降压模式转换器

图8.降压模式示例: LT3756-2

表4使用降压模式转换器作为LED驱动器的优势和权衡取舍
降压-升压转换器
降压-升压LED驱动器通过高于或低于LED串总电压的电源调节LED电流。该转换器在降压模式下调节连接到输入电压的高压侧开关,在升压模式下调节输出侧的低压侧开关。这种拓扑结构最复杂,但也是最灵活的。VIN和VOUT的范围仅受控制器IC的限制。对于矩阵型应用,这是一种不错的选择。

图9.降压-升压转换器。

图10.降压升压示例: LT8391

表5使用降压-升压转换器作为LED驱动器的优势和权衡取舍
结论
汽车LED照明系统可通过多种不同的方式使用开关稳压器驱动。根据应用的不同,照明设计人员可通过选择开关拓扑和配置,针对整个汽车的不同照明要求,设计完整的子系统。为系统选择正确的功率转换开关拓扑和配置可优化复杂性、效率、EMI和安全性等要求。
文章来源:亚德诺半导体
