在设计和评估升压转换器时,我们发现有时未能达到预期的输出电压,其电压要低于期望值。本文探讨升压拓扑本身的限制,以及如何克服这些限制。
我们使用升压转换器,从低输入电压生成高输出电压,使用开关稳压器和升压拓扑可以轻松实现这种电压转换。但是,电压增益本身存在限制。电压增益是输出电压与输入电压的比值,如果从12 V输入电压生成24 V输出电压,电压增益为2。
以一个工业应用为例,需要从24 V电源电压生成300 V输出电压,输出电流为160 mA。

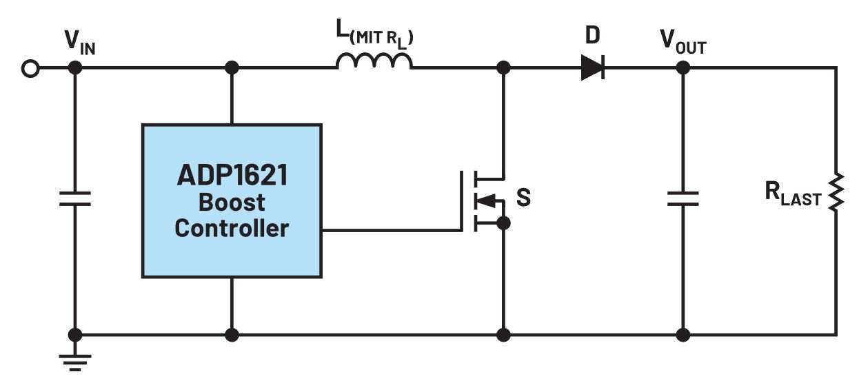
图1. 升压转换器电路。

选择具有较高的最大占空比的升压转换器,似乎可以从低电源电压生成高输出电压。但是,这不是唯一的决定因素。除了占空比限制,还必须考虑可能达到的最大电压增益。
电压增益是升压转换器可能实现的最大输出电压与可用的输入电压的比值。我们可以这样理解升压转换器本身的限制:在使用升压转换器时,所有电能从输入端传输到输出端时,必须先暂时存储起来。在开启期间,也就是,在图1中的开关S开启期间,电能将暂时存储在电感L中。此时,图1中的二极管D会阻断电流流动。
在关闭期间,电感L中暂时存储的电能会放电。电感充电和放电都必须遵循电感规则。在每种情况下,电流由电感值和电感两端的电压差决定。电感两端的电压可以简单描述为:充电期间为VIN,关闭期间为VOUT- VIN。

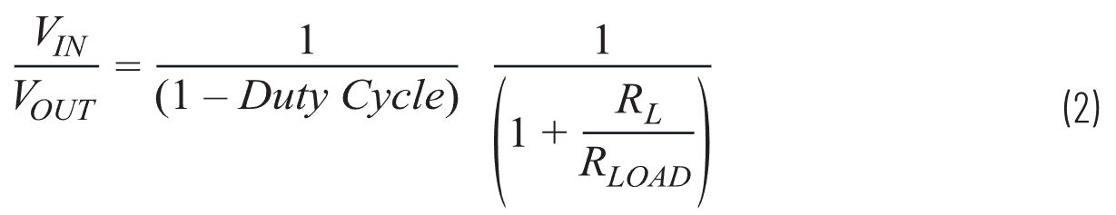
所以,RL和RLOAD的比值会影响可能的输入和输出电压之间的比值,进而影响升压转换器的电压增益。该电压增益可以如图所示。图2所示的示例中,输入电压为24 V,输出电压为300 V,电流为160 mA,负载电阻为1.8 kΩ,电感RL的DCR为3 Ω。

在该示例中,图2显示电压增益可能达到约12.5(根据公式2演算得出)。但是,如果负载电阻降低(即:输出电流增高),或者电感的DCR (RL)增高(即:电感尺寸减小),将会无法实现要求的电压增益。
图3显示负载电阻和电感电阻的比值为300时的电压增益曲线。此时,选择RL为6 Ω,负载电阻为1.8 kΩ。

图3显示,在这种情况下,最大电压增益仅为9。所以,无法将24 V输入电压转换为300 V输出电压。所选的DCR,或者电感的RL太高了。
总之,在设计采用升压拓扑的电路时,务必要确定可能达到的最大电压增益。需要注意,它取决于负载电阻(也就是输出电流)和电感的DCR。如果情况显示似乎无法达到所需的电压增益,可以选择具有更低DCR的更大电感。
文章来源:亚德诺半导体
